18 ภาพแปลกประหลาดของสิ่งของภายใต้มุมมองของกล้องจุลทรรศน์
สิ่งของที่เราใช้ในชีวิตประจำวั
1. เกลือเม็ดเล็ก ขยาย 150 เท่า
2. ปากกาลูกลื่น ขยาย 30 เท่า
3. น้ำตาล ขยาย 50 เท่า
4. ไนลอน ขยาย 50 เท่า
5. พริกไทย ขยาย 15 เท่า
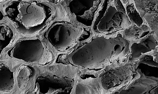
6. พริกไทยดำ ขยาย 5000 เท่า
7. กากกาแฟ ขยาย 750 เท่า
8. ไม้ ขยาย 150 เท่า
9. กระดาษที่พิมพ์ ขยาย 10000 เท่า
10. ผ้า ขยาย 200 เท่า
11. เหล็กในกระดาษบาง ขยาย 30 เท่า
12. เกสร ขยาย 400 เท่า
13. ขอบใบมีดโกน ขยาย 10000 เท่า
14. หนวดของมนุษย์ ขยาย 500 เท่า
15. ขน ขยาย 50 เท่า
16. พื้นผิวของทองแดงเก่า ขยาย 5000 เท่า
17. ผลไม้ ขยาย 3000 เท่า
18. ฝ้าย ขยาย 40 เท่า
ข้อมูลและภาพประกอบจาก "brightside.me"
เจาะสเปก กริเพน ทําไมกองทัพไทยถึงเลือกใช้
เขมรขอถก JBC ด่วน ยันไม่รับเส้นเขตแดน จากการใช้กำลังของไทย
ลือหึ่ง "ลิซ่า" BLACKPINK แอบจดทะเบียนสมรสกับแฟนหนุ่มแล้ว
นรกแตกก่อนวันเซ็นสัญญา F16 ไทยบึ้มสะพาน คืนหมาหอน "ฮุนเซน" อกแตก แพ้หมดรูป จำยอมเซ็นสงบศึก
ชวนลองเข้ามาดูผลงานของนักออกแบบที่ใส่ใจในทุก ๆ รายละเอียด
เตือนมนุษย์เงินเดือน! 5 อาชีพเสี่ยงถูก AI แย่งงานใน 5 ปี หากไม่ปรับตัวอาจสูญพันธุ์ได้
"ภูมิรพี"เด็กไทยฟุตบอล U17 สู่ตัวหลักมือกาวมัธยมปลายในญี่ปุ่น
5 คุณประโยชน์ต่อสุขภาพที่น่าทึ่งของปลาทะเล
แม่โบว์ถูกวิจารณ์จากคลิปสอนลูก ลั่นการเลี้ยงลูกไม่ใช่การท่องตำรา โซเชียลแบ่งเป็นสองฝ่าย
สวยสะกดโลก! สรุปผล 100 ผู้หญิงใบหน้าสวยที่สุดปี 2025
UNICEF เตือน การจำกัดอายุการใช้งานโซเชียลมีเดีย ไม่ได้ช่วยให้เด็กปลอดภัยขึ้น
ผู้ช่วยกอบกู้บริษัท IBM "ลู เกิร์สต์เนอร์" เสียชีวิตแล้ว
มาตรการ ‘มหาเถรสมาคม’ - ‘คพช.’ กู้คืนศรัทธาวงการสงฆ์: บทเรียนจากปีแห่งการล้างบาง
ชวนลองเข้ามาดูผลงานของนักออกแบบที่ใส่ใจในทุก ๆ รายละเอียด
นรกแตกก่อนวันเซ็นสัญญา F16 ไทยบึ้มสะพาน คืนหมาหอน "ฮุนเซน" อกแตก แพ้หมดรูป จำยอมเซ็นสงบศึก
เจาะสเปก กริเพน ทําไมกองทัพไทยถึงเลือกใช้

















